Aircooled VW blogs, builds and banter. Since lunchtime 2009
Home
Showcase
Build Pages
Groups
Photos
Videos
Filter
Show results from selected filters below:
Check All
|
Uncheck All
Blogs
People
Search...
Suggested keywords
Search
x
Search
Sign In
Sign in to your account
If you are new here please
register for an account
Your username or email address
Password
Keep me logged in
Sign In
'Sign in with Facebook'
Forgot username?
Forgot password?
Loading cover...
Drag cover to reposition
Bay Window Boys
Type 2 Bay Window (1968 - 79)
Public
12 Members
62062
Join
Timeline
About
Forum
Albums
Videos
Files
Tasks
More
Announcements
Feeds
Members
Polls
Events
Back to album
Mick
From album
Tech
Share Photo
View Original
Download photo
Share
b6613821630b69b98fe12468.jpg
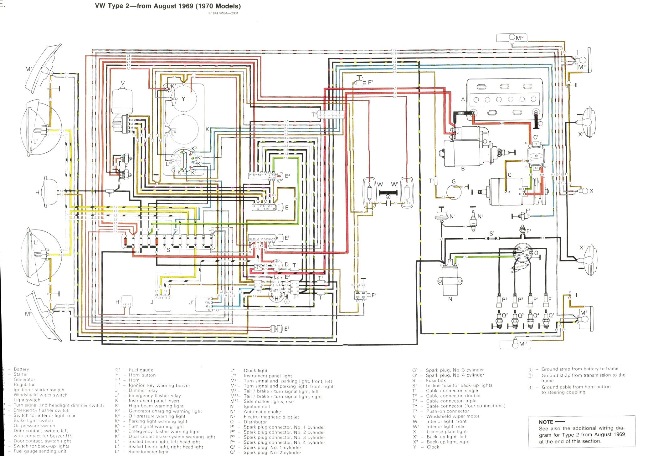
bus 69 70 wiring diagram
11 August 2012
ยท
13 years ago
Unable to load tooltip content.